| Sign In | Join Free | My hardware-wholesale.com |
|
Place of Origin : Guangdong,China
Brand Name : LINK-PP
Certification : UL,RoHS,Reach,ISO
Model Number : 7090-37R-LF1
MOQ : 400/2000/10K/25K
Price : $0.06-$3.2
Packaging Details : T&R
Delivery Time : Stock
Payment Terms : TT,NET30/60/90 Days
Supply Ability : 3KK/Month
Manufacturer : LINK-PP
Product Category : Transformers Audio & Signal
Brand : LINK-PP
Frequency Range : 500 kHz to 100 MHz
Isolation Voltage : 1500 VAC
Termination Style : SMD/SMT
Type : 10/100 Base-T Transformer
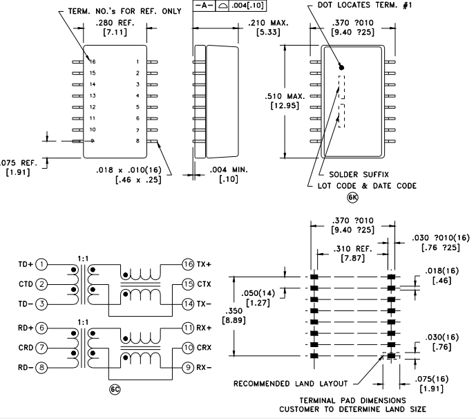
Package : 12.95 mm x 7.11 mm x 5.33 mm
Archivi Disponibili : PDF/3D/ISG/Stp/Step/Datasheet
Quick Details
1.Single Port Lan Transformer
2.ColiStructure:Toroidal
3.1000base-t transformer
4.SMD, 16 pins
7090-37R-LF1 10/100Base-T Transformer Modules 350uH Lan 1 Port Ethernet
Description:
7090-37R-LF1 10/100Base-T Transformer Modules 350uH Lan 1 Port Ethernet
10/100Base-Tx
10/100M Lan
10/100 Internet Speed
10/100 Ethernet
10/100Base-T Ethernet Lan Rj-45 Connector
10/100Base-T Network
10/100 transformer
| Application | LAN ETHERNET(PoE&NON PoE) |
| AutomDX | YES |
| Comment | RoHS Compliant LP1188NL |
| Configuration RX | T,C |
| Configuration TX | T,C |
| Construction | TRANSFER MOLD |
| Cores Per Port | 4 |
| Number of Ports | Single |
| PCB | NO PCB |
| Package | SMT |
| Package Height (Inches) | 0.225 or other |
| Package Height (mm) | 5.715 or other |
| Package Length (Inches) | 1.12 or other |
| Package Length (mm) | 28.448 or other |
| Package Width (Inches) | 0.63 or other |
| Package Width (mm) | 16.002 or other |
| RoHS Compliant | YES-RoHS-6 |
| Speed | 10/100/1000BASE-TX |
| Temperature | 0 TO 70/-40 To +85 |
| Turns Ratio RX | 1CT:1CT |
| Turns Ratio TX | 1CT:1CT |
| Main P/N | 7090-37R-LF1 = > LP1188NL Mass productive Item |
Electrical Specifications(25):
1. Turns Ratio50KHz, 0.5V
Chip side: Line side=1CT: 1CT+_2%
2. Inductance(Ls)100KHz, 0.1V, 12mA DC Bias:
Chip side: 350uH Min
3. Insertion Loss1-100MHz: -1.4dB Max
4. Return Loss1-30MHz: -16dB Min
40MHz: -14.4dB Min
50MHz: -13.1dB Min
60-80MHz: -12dB Min
100MHz: -10dB Min
5. Differential to Common Mode Rejection:
30MHz: -45dB Min
60MHz: -40dB Min
100MHz: -35dB Min
6. Crosstalk30MHz: -40dB Min
60MHz: -35dB Min
100MHz: -30dB Min
7. Hi-Pot: 1500Vrms Min

| XRJV-01V-4-D12-180 - RJ45, Vertical Mount, 8P8C, Shielded, Thru-hole, 10/100Mbps Magnetics, LED |
| XRJV-01V-4-D12-180 - RJ45, Vertical Mount, 8P8C, Shielded, Thru-hole, 10/100Mbps Magnetics, LED |
| XRJV-01V-4-D12-180-C - RJ45, Vertical Mount, 8P8C, Shielded, Thru-hole, 10/100Mbps Magnetics, green/yellow LED |
| XRJV-01V-4-D12-181 - RJ45, Vertical Mount, 8P8C, Shielded, Thru-hole, 10/100Mbps Magnetics, LED |
| XRJV-01V-4-D12-380 - RJ45, Vertical Mount, 8P8C, Shielded, Thru-hole, 10/100Mbps Magnetics, LED- Cross XMV-9813-8812-S0L1T1-B, Cross XFMRS... |
| XRJV-01V-4-D12-381 - RJ45, Vertical Mount, 8P8C, Shielded, Thru-hole, 10/100Mbps Magnetics, Cross XFMRS LEDXFATM9-CVYG1-2M |
| XRJV-01V-4-D2B-180 -RJ45, Vertical Mount, 8P8C, Shielded, Thru-hole, 10/100Mbps Magnetics, No LED- Cross XMV- 9913-8812-SOL1T6-B |
| XRJV-01V-4-D2B-181 - RJ45, Vertical Mount, 8P8C, Shielded, Thru-hole, 10/100Mbps Magnetics, LED |
| XRJV-01V-4-DZ5-180 - RJ45, Vertical Mount, 8P8C, Shielded, Thru-hole, 10/100Mbps Magnetics, LED |
| XRJV-01V-5-D12-180-C - RJ45, Vertical Mount, 8P8C, Shielded, Thru-hole, 10/100Mbps Magnetics, green/green LED |
| XRJV-01V-5-D12-180-C-1 - RJ45, Vertical Mount, 8P8C, Shielded, Thru-hole, 10/100Mbps Magnetics, green/green LED |
| XRJV-01V-W17-D12-181 - RJ45, Vertical Mount, 8P8C, Shielded, Thru-hole, 10/100Mbps Magnetics, LED - 50U"- Cross XMV-XARJ-275ANL |
| XRJV-01V-X-D2B-180 - RJ45, Vertical Mount, 8P8C, Shielded, Thru-hole, 10/100Mbps Magnetics,LED |
| XRJV-01Y-5-H22-180 - RJ45, Vertical Mount, 8P8C, Shielded, Thru-hole, 10/100Mbps Magnetics, LED |
| XRJV-01Y-5-H22-183 - RJ45, Vertical Mount, Shielded, Thru-hole, 1Gigabit Magnetics. Cross Intel 82574L |
| XRJV-11-01-8-8-X-B1A(A) - 1Port, 10/100Mbps Shielded Vertical Mount |
| XRJV-11-01-8-8-X-MD12 (01) - RJ45, Vertical Mount, w/LED, 8P8C, Shielded, No Spring Tab, Thru-hole, 10/100Mbps Magnetics |
| XRJV-11-01-8-8-X-MD33 (01) - RJ45, Vertical Mount, w/LED, 8P8C, Shielded, No Spring Tab, Thru-hole, 10/100Mbps Magnetics |
| XRJV-5211-88-101-504-L - RJ45, Vertical Mount, 8P8C, Shielded, Thru-hole, 10/100Mbps Magnetics, LED - Cross XXRJV-01V-1-D2B-180 |
|
|
7090-37R-LF1 10/100Base-T Transformer Modules 350uH Lan 1 Port Ethernet Images |